Werbung

Schallberechnung für Lüftungssysteme

Teil 2: Betrachtung des Lüftungssystems

Bild 1: 3-D-Systemdarstellung der Lüftungsanlage. (Lindab, CADvent)

Tabelle 1: Übersicht der Grundlagenwerte aus Teil 1. (Lindab)

Tabelle 2: Zulässiges Schallleistungsspektrum nach NR 20, welches an den Raum übertragen werden darf. Zum Vergleich (Kontrollrechnung) zeigt die A-Bewertung dieser Werte einen Summenpegel von 30 dB(A). Überschrift Tabelle. (Lindab)

Bild 2: Aufsummierung von zwei gleichen Schallquellen. (Lindab, Bargteheide)

Bild 3: Durch die Bewertung nach den NR-Kurven kann das zulässige Schallleistungsspektrum, das an den Raum übertragen werden darf, festgestellt werden. (Lindab, Bargteheide)

Bild 4: Technische Daten Regelklappe DRU. (Lindab, Bargteheide)

Bild 5: Schritt 1 - Luftdurchlass Zuluft im Auslegungszustand. (Lindab, Bargteheide)

Bild 6: Schritt 2 - Luftdurchlass Zuluft nach Druckverlustberechnung mit Klappe zum Einregeln. (Lindab, Bargteheide)

Bild 7: Schritt 3 - Luftdurchlass Zuluft, nach Auswahl eines geeigneten Schalldämpfers. (Lindab, Bargteheide)

 

In vielen Normen und Richtlinien werden Geräuschpegel für Räume vorgegeben. Deren Einhaltung ein Schutzziel der Menschen darstellt, die sich längerfristig in diesen Räumen aufhalten. Lüftungsanlagen erzeugen einen hohen Anteil an dem Dauerschallpegel, der sich in Gebäuden einstellt. Daher sollte dieser schon bei der Auslegung der Lüftungsanlage berechnet und entsprechend reduziert werden.

Die Verursacher von Geräuschen in raumlufttechnischen Anlagen sind vorrangig die Ventilatoren der Lüftungsgeräte, deren Schall sich durch das Luftleitungssystem in die Räume überträgt. Aber auch das Rauschen, welches sich durch strömungstechnisch ungünstige Bauteile oder Drosselklappen in Verbindung mit zu hohen Luftgeschwindigkeiten ergibt, ist eine häufige Störquelle. Weiterhin kann das Luftführungssystem zu einem Schallüberträger zwischen Räumen werden.

Teil 1 der Beitragsreihe beleuchtete die theoretische Betrachtung der belüfteten Räume (Bild 1). In diesem zweiten Teil fokussiert sich der Autor auf die Schallerzeugung innerhalb des Lüftungssystems und im Teil 3 wird das Berechnungsprogramm „CADvent“ vorgestellt.

Ein Blick in das Lüftungssystem

Wird schon bei der Dimensionierung der Lüftungsanlage mit geringen Luftgeschwindigkeiten in Kanälen und Rohren geplant und darauf geachtet, dass strömungsbegünstigte Bauteile eingesetzt werden, kann eine unerwartete Geräuschentstehung durch Strömungsrauschen häufig ausgeschlossen werden. Bei Lüftungsanlagen mit einem langen Streckennetz ist es jedoch kaum vermeidbar, dass die vorderen Abzweige vom Hauptstrang bei der Einregulierung der Anlage einer stärkeren Drosselung bedürfen als diejenigen am Ende des Systems. Der Zweck der Einregulierung ist es, eine optimale Balance der Drücke im System herzustellen, um auf diesem Wege die Luftmengen zu kontrollieren. Bei den meisten Klappen, Blenden oder Volumenstromreglern wird der Strömungsquerschnitt verringert, dadurch ergibt sich eine Erhöhung der Luftgeschwindigkeit und des Strömungswiederstandes. Es entstehen Turbulenzen, die wiederum ein Strömungsgeräusch erzeugen.

Der Vorteil bei Drosseleinrichtungen ist, dass die entsprechenden Werte bereits bei der Planung bekannt sind. Dadurch kann den möglichen Geräuschen durch geeignete Schalldämpfer entgegengewirkt werden. Problematischer sind eher Systemverengungen, die bei der Planung noch nicht berücksichtigt werden konnten, wie abgeknickte Flexrohre, Versprünge mit starker Reduzierung der freien Strömungsquerschnitte und andere unvorhersehbaren Systemänderungen.

Reduzierte Luftgeschwindigkeiten im System haben den Vorteil, dass sie auch einen positiven Einfluss auf den Energieverbrauch im Anlagenbetrieb haben und die Einregulierung des Systems vereinfachen, da weniger Reibungsverluste entstehen. Die Reduzierung der Luftgeschwindigkeit bedeutet eine Vergrößerung der Kanal- und Rohrdimensionen. Leider steht diesem Ziel oft eine bauliche Grenze entgegen, z. B. die Platzverhältnisse in Schächten, Zwischendecken oder Technik räumen. Auch Undichtigkeiten im Lüftungssystem führen zu unangenehmen Rausch- oder Pfeiftönen, die aber im Weiteren hier nicht betrachtet werden.

Einfluss des Lüftungssystems auf den zu belüfteten Raum

In Teil 1 dieses Artikels wurde das Schutzziel definiert, die vorgegebenen Schallwerte in Räumen einzuhalten. Hierzu ist es wichtig Luftdurchlässe auszuwählen, die bei der notwendigen Luftmenge nicht schon selbst zu einem kritischen Schallerzeuger werden. Ist dies erfolgt, muss auch das Verteilsystem so dimensioniert werden, dass die Strömungsgeräusche innerhalb des Kanalsystems sich nicht auf die Räume störend übertragen. Für eine korrekte Schalldämpferauslegung muss der TGA-Fachplaner oder der zuständige SHK-Installateur das gesamte Lüftungssystem betrachten. Ideal ist es, wenn die Schallerzeugung und -reduktion sämtlicher Einbauten berücksichtigt wird. Hierbei ist auch zu bedenken, dass Schall in Rohren und Kanälen sehr gut auch entgegen des Luftstroms übertragen wird.

Diese Berechnung kann je nach Anlagengestaltung und -größe sehr umfangreich sein und sollte daher mithilfe eines Berechnungsprogrammes durchgeführt werden. Die VDI 2081 bietet hier Excel-Berechnungswerkzeuge an, die sich auf allgemeine Werte beziehen. Es können jedoch auch Herstellerprogramme genutzt werden, wie Lindab‘s www.LindQST.com mit einem tabellarischen Akustik-Berechnungswerkzeug oder „CADvent“ mit einem auf AutoCAD gestütztem Zeichen- und Berechnungswerkzeug. Diese Thematik wird im dritten Teil der Beitragsreihe betrachtet.

Jeder Luftdurchlass verhält sich aus Sicht eines Raumes als Schallquelle, die sich jeweils aus der Eigenschallerzeugung Lw LA, und dem Anlagenschall Lw Sys zusammensetzt. Der Eigenschall wird durch die durchdringende Luft am Luftdurchlass erzeugt. Der Anlagenschall ist der Schall, der im Lüftungssystem erzeugt und durch den Luftdurchlass in den Raum übertragen wird. Die kritischen Schallquellen einer Anlage sind meist die Ventilatoren im Lüftungsgerät. Schwieriger zu ermitteln sind die unbekannten Schallquellen eines Systems. Die Geräusche ergeben sich am häufigsten aus Einbauteilen, wie Drosselklappen, Absperrklappen und Volumenstromregler. Ob ein Schalldämpfer vor und/oder hinter einer Drosselklappe oder einem Volumenstromregler eingebaut werden muss und welche Dämpfungseigenschaften benötigt werden, ergibt sich durch eine ganzheitliche Berechnung.

Zulässiger Anlagenschall

In Teil 1 wird ein kleiner Tagungsraum eines Gästehauses als Beispiel beschrieben. Für diesen wurden Luftdurchlässe gewählt und berechnet (Werte Tabelle 1). Der zulässige Gesamt-Anlagenschall Lp Sys – der maximal über die Luftdurchlässe in den Raum übertragen werden darf und auf Punkt A einwirkt – wird durch die logarithmische Subtraktion des Gesamt-Schalldruckpegels (31 dB(A) Eigenschallerzeugung der Durchlässe, Teil 1) vom zulässigen Raum-Schalldruckpegel (35 dB(A), Tabelle 1) mit folgender Formel berechnet:

L(p Sys) = max. Schalldruckpegel der aus der Lüftungsanlage in den Raum übertragen werden darf.

L(p Raum) = Zulässiger Schalldruckpegel im Raum (Tabelle 1).

L(p Durchlässe) = Gesamt-Schalldruckpegel im Punkt A durch die Luftdurchlässe.

Je weniger Schall durch die Luftdurchlässe erzeugt wird, desto mehr Schall dürfte theoretisch durch die Anlage in den Raum übertragen werden. Im genannten Beispiel beträgt der von den ausgewählten Luftdurchlässen erzeugte Schalldruckpegel 31 dB(A). Das bedeutet der vom Lüftungssystem erzeugte Schall darf noch einen Summenpegel von 33 dB(A) erzeugen, um die Schallanforderungen im Raum in Höhe von 35 dB(A) einzuhalten. Dieser Maximalwert kann in dem Beispielobjekt insgesamt über zwei Durchlässe, den Zu- und den Abluftdurchlass, übertragen werden.

Hier findet nun die Summenregelung von Schallquellen ihre Anwendung. Würde nun das Zuluftsystem einen Geräuschpegel von 33 dB(A) erzeugen, so dürften sich am Punkt A nur noch 23 dB(A) aus dem Abluftsystem einwirken, da der Einfluss auf den Gesamtschallpegel erst ab einer Differenz von 10 dB verschwindet (Bild 2).

Für den Fall, dass Zu- und Abluftanlage den gleichen Schallpegel erzeugen, muss die Differenz zur Summe 3 dB betragen. In einem ersten Iterationsschritt wird das logarithmische Multiplikationsgesetz angewandt, um den Gesamtsystem-Schalldruckpegel Lp SYS in zwei gleichartige Schallquellen zu unterteilen. Die Lüftungsanlage darf also einen Wert von Lp Sys - 3 = 30 dB(A) vom Zu- und Abluftdurchlass in den Raum in Bezug auf den ungünstigsten Punkt (Punkt A) übertragen.

Schallpegelbewertung

Für die weitere Betrachtung der Schallwerte wird nun der Einfachheit halber ausschließlich der Zuluft strang behandelt. Der Abluft strang ist äquivalent zu berechnen.

Für die Schalldämpferauslegung ist die Bewertung der Schallwerte im Oktavband unumgänglich. Da in diesem Beispiel kein Schallspektrum für die zulässigen Werte vorliegt, erfolgt die Aufteilung in Anlehnung an die NR-Kurven (NR = Noise Rating, Bild 3). Diese sind international als Bewertungskurven anerkannt. Da in der Beispielrechnung bereits ein Bewertungsfilter (A-Bewertung) enthalten ist, wird hier zunächst der Wert auf die entsprechende NR-Kurve zurückgerechnet. Als Faustformel gilt dabei:

  • bei Schallpegeln von 100 bis 130 dB(A) gilt: Schallpegel – 5 dB(A) = ~NR-Kurve,
  • bei Schallpegeln von 30 bis 100 dB(A) gilt: Schallpegel – 8 dB(A) = ~NR-Kurve,
  • bei Schallpegeln ‹ 30 dB(A) gilt: Schallpegel – 10 dB(A) = ~NR-Kurve

Es wird somit eine Grenzkurve von NR 20 angesetzt. Aus Bild 3 kann das zulässige Schallleistungsspektrum abgelesen werden, das aus der Anlage am Luftdurchlass an den Raum übertragen werden darf. Tabelle 2 gibt einen Überblick dazu. Spätestens an dieser Stelle wird deutlich, wie aufwendig der Berechnungsgang einer Schallberechnung sein kann. Insbesondere da die vorgenannten Schritte für jeden Raum, jede Änderung der Luft mengen oder Luftdurchlasstypen wiederholt werden müssen.

Als darauffolgender Schritt wird dann mit dem ermittelten zulässigen Schallleistungspegel (Lw Sys) an den Luft durchlässen ein zulässiger Schallwert für jeden Punkt im Lüftungssystem berechnet. Dieser wird dann wiederum mit dem errechneten erzeugten Schall im System verglichen. Für die Beschreibung dieses Verfahrens wird das Berechnungsprogramm „CADvent“ genutzt. Das Verfahren wird in Teil 3 dieser Artikelreihe beschrieben.

Auswirkung des Systemschalls auf den Raum

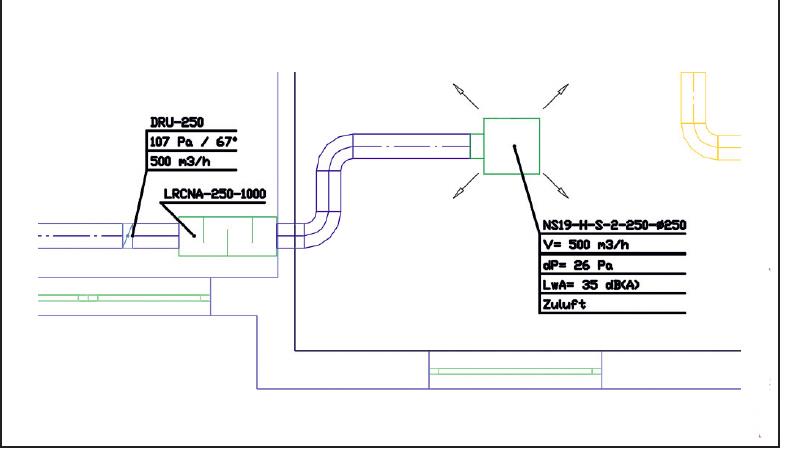
Für den Beispielraum wurden Regulierklappen vor den Luftdurchlässen eingeplant (siehe Teil 1, IKZ-Ausgabe 7/2024). Diese müssen einen Ausgleichsdruck erzeugen, um die erforderliche Luft menge zu liefern (Bild 1). Für die Zuluft ist ein Ausgleichsdruck von 107 Pa an der Klappe notwendig. Bild 4 zeigt das Regelverhalten und die Schallwerte der gewählten Klappe. Werden diese nun in die Schallberechnung übernommen ergeben sich Abweichungen zwischen den zulässigen Schallwerten, die zum Erreichen der Vorgaben vorherrschen dürfen und den erzeugten Werten.

Die Differenz der Schallerzeugung der einzelnen Komponenten zum zulässigen Schallwert bestimmt, ob Schalldämpfer im System notwendig sind oder nicht. Es kann auch auf diesem Wege die Qualität und damit die Kosten der eingesetzten Schalldämpfer beeinflusst werden. Im Beispiel ergibt eine Berechnung, dass der Anlagenschall am Luftdurchlass um 9 dB(A) höher ist als der zulässige Wert. Die notwendige Schalldämpfung im Oktavband wird ermittelt und eine Auswahl von passenden Schalldämpfern kann digital bestimmt werden (Details dazu in Teil 3). Die Platzierung eines geeigneten Schalldämpfers zwischen Klappe und Luftdurchlass wirkt sich schlussendlich erwartungsgemäß so auf das Ergebnis aus, dass die Schallkriterien für den Raum eingehalten werden.

Zur besseren Verdeutlichung zeigen die Bilder 5 bis 7 noch einmal den Ablauf der in diesem Artikel präsentierten Methodik zur Schalldämpferauswahl in drei Schritten.

Schritt 1: Einfügen der gewählten Luftdurchlässe (Bild 5).

Schritt 2: Einregulierung des Systems, akustischer Einfluss der eingefügten Drosselklappe bestimmen (Bild 6).

Schritt 3: Korrektur der Schallwerte der Klappe durch einen geeigneten Schalldämpfer (Bild 7).

Zusammenfassung

Die Berechnung von Lüftungsanlagen mit dem Ziel die geforderten Luft mengen, aber auch akustischen Vorgaben einzuhalten, ist sehr umfangreich. Daher ist eine exakte Datenfindung auf analogem Weg zeitaufwendig und fehleranfällig. Ohne die Unterstützung von Computerprogrammen ist eine detaillierte Auslegung kaum noch möglich. Insbesondere bei Anlagen mit druckgeregelter, bedarfsgerechter Luftführung, können unterschiedliche Szenarien zu akustischen Problemen führen, die sich durch das Regelverhalten von Klappen und Volumenstromreglern ergeben.

Mit der Auswahl der eingesetzten Komponenten kann ein Großteil an akustischen Problemen entstehen oder auch vermieden werden. Dies beginnt mit der richtigen Auswahl an Luftdurchlässen, gedämmten Anschlusskästen, strömungsgünstigen Drosselklappen, Rohr- und Kanalbauteilen und schalloptimierten Ventilatoren und endet mit der Wahl der optimalen Schalldämpfer. Qualitätshersteller legen immer größeren Wert auf die Optimierung der schalltechnischen Auswirkungen ihrer Produkte. Die Folgen dieser Entwicklung lassen sich über eine gute akustische Berechnung darstellen und nutzen: Leisere Ventilatoren führen zu kleineren Schalldämpfern, Drosselklappen und Volumenstromregler, die bei dem erwarteten Differenzdruck kleine Schallleistungspegel erzeugen, lassen Sekundär-Schalldämpfer überflüssig werden. Eine gut dimensionierte Anlage benötigt nur geringe statische Drücke, wodurch die Schallwerte durch die Regelorganen von Grund auf reduziert werden. Lüftungsanlagen sollen eine gute Innenraumqualität erzeugen und sie nahezu unhörbar einbringen. Dieses Ziel ist heutzutage gut erreichbar.

Vorschau auf Teil 3

Mithilfe eines Berechnungsprogrammes wie „CADvent“ werden viele Arbeiten automatisch ausgeführt. Dabei verbindet das Programm die CAD-Komponenten mit dem Berechnungsablauf. Insbesondere Fehler werden durch diesen Prozess minimiert. Zudem ist die Zeitersparnis durch die digitale Unterstützung enorm. Welche Möglichkeiten sich durch den Einsatz ergeben, welche Werte erhoben und verglichen werden können und wie sich das positiv auf die Anlage auswirken kann, dass wird in dem dritten und letzten Teil der Beitragsreihe thematisiert. Der Artikel erscheint am 27. Sep. 2024 in der Ausgabe 9/2024.

Autor: Dipl. Ing. Jan Behrens, technischer Leiter, Lindab GmbH

www.lindab.de

 


Artikel teilen:
Weitere Tags zu diesem Thema: