IKZ-HAUSTECHNIK, Ausgabe 16/17 2004, Seite 32 ff.
SANITÄRTECHNIK
Absicherung von Wandhydrantenanlagen
Errichtung von Neuanlagen/Bewertung und Sanierung bestehender Anlagen
Franz-Josef Heinrichs*
Damit die Wasserqualität entsprechend der Trinkwasserverordnung innerhalb der Trinkwasser-Installation mit gleichzeitiger Nutzung zu Feuerlöschzwecken nicht nachteilig beeinträchtigt werden kann, sind bei der Planung von Neuanlagen sowie bei der Bewertung und Sanierung bestehender Löschwasserleitungen nachfolgende Grundsätze einzuhalten.
Wandhydrantenanlagen sind Einrichtungen des vorbeugenden Brandschutzes und keine des häuslichen Gebrauchs (siehe EN 1717 Abs. 3.9). Sie dienen der Rettung und dem Schutz von Personen und der Brandbekämpfung. Sie führen in ihren Leitungssystemen Trink- oder Nichttrinkwasser. Bei unmittelbarem Anschluss an das Trinkwassernetz unterliegen sie besonderen hygienischen Anforderungen (siehe DIN 1988-6.), das Prinzip ist Vermeidung von stagnierendem Wasser.
In allen Fällen ist vor Beginn der Maßnahme (Sanierung oder Neubau) eine Genehmigung bei der zuständigen Brandschutzbehörde (Brandschutzkonzept) einzuholen und hinsichtlich der zu liefernden Wassermengen eine Abstimmung mit dem Wasserversorger durchzuführen.
| Bild 1: Schema einer "nass/trocken"-Löschwasserleitung mit Füll- und Entleerungsstation. |
Errichtung von Neuanlagen
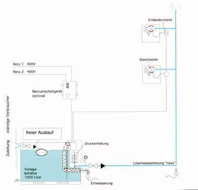
Nach DIN 1988-6 Feuerlösch- und Brandschutzanlagen vom Mai 2002 dürfen Wandhydranten Typ F (DIN 14461-1) als Selbsthilfeeinrichtung und Nutzung durch die Feuerwehr (Berechnungsdurchfluss 3 x 100 l/min bei 3 bar) unmittelbar über eine Löschwasserleitung nass/trocken (Bild 1) mit Füll- und Entleerungsstation nach DIN 14463-1 an das Trinkwassernetz angeschlossen werden, oder als mittelbare Anschluss über Vorlagebehälter mit Pumpe (Bild 4). Nur dann, wenn der Trinkwasserverbrauch größer ist (Sonderfall), als der zugrunde gelegte maximale Löschwasserverbrauch, dürfen Wandhydranten Typ F nach DIN 14461-1 unmittelbar angeschlossen werden (Bild 5).
Die Wandhydranten Typ S (Selbsthilfeeinrichtungen) sind entsprechend Abschnitt 4.2.2 DIN 1988-6 auszulegen. Dort heißt es: "Leitungsanlagen für Wandhydranten in Gebäuden sind so auszuführen, dass alle Wandhydranten und Stockwerksleitungen über eine gemeinsame Steigleitung versorgt werden (siehe Bild 2, DIN 1988-6). Diese Anlagen dürfen ausschließlich nur mit Wandhydranten Typ S (Selbsthilfeeinrichtung) mit formstabilem Schlauch nach DIN 14461-1 betrieben werden. Der Berechnungsdurchfluss ist dabei mit maximal 2 x 24 l/min bei 2 bar anzusetzen. Die Wandhydranten sind dabei mit einer Sicherungskombination (Rückflussverhinderer und Rohrbelüfter Bauform C) nach DIN 1988-4:1988-12, 4.2.7, abzusichern (Stichleitungen < 10 x DN). Wenn größere Löschwassermengen benötigt werden, sind die Anlagen als Löschwasserleitungen "nass/trocken" (siehe Bild 1) anzuschließen."
| Bild 2: DIN 1988-6 Anschlussmöglichkeit von Stockwerksleitungen mit Wandhydranten Typ S. |
Für die Ermittlung der Rohrdurchmesser dieser unmittelbar angeschlossenen Löschwasserleitungen und der Verbrauchsleitungen ist DIN 1988-3 anzuwenden. Löschanlagen nach DIN 1988-6 müssen nach Herstellerrichtlinien in der Regel jährlich geprüft werden.
Bewertung und Sanierung bestehender Anlagen
Bei der Bewertung von bestehenden Wandhydrantenanlagen muss zunächst einmal festgestellt werden, ob es sich um Löschwasserleitungen nass handelt, die ständig mit Wasser gefüllt sind und bei denen kein Wasseraustausch stattfindet, oder ob an Löschwasserleitungen nass so genannte Bewegungsleitungen angeschlossen sind, bei denen ein ausreichender oder nicht ausreichender Wasseraustausch stattfindet.
| Bild 3: Systemtrenner Typ BA. |
Löschwasserleitungen nass, ohne Trinkwasserentnahmearmaturen
Löschwasserleitungen, die ausschließlich Wandhydranten versorgen und unmittelbar in der Trinkwasserinstallation eingebunden sind, ohne dass eine Ersatzgestellung oder der Umbau des gesamten Rohrleitungsnetzes zur Diskussion steht, sollte die Einbaumöglichkeit einer Füll- und Entleerungsstation (siehe Bild 1) oder eines Vorlagebehälters mit Pumpe (siehe Bild 4) geprüft werden.
Mit der Festlegung der TWIN Nr 6 von 1994 wird durch den Einbau von Sicherheitseinrichtungen, die der Klasse 4 genügen, wie z.B. Rohrtrenner Typ GB (Typ EA2 nach DIN 1988) oder Typ BA (Systemtrenner nach DIN EN 1717), der Schutz gegen Rückwirkungen auf das öffentliche Trinkwassersystem erreicht (Ausnahmefall). Rohrtrenner und Systemtrenner müssen nach DIN 1988-8 halbjährlich überprüft werden.
Ob für Feuerlöschzwecke mit diesen Sicherungseinrichtungen Rohrtrenner Typ GB oder Systemtrenner Typ BA der notwendige Durchfluss und Systemdruck an Feuerlöscheinrichtungen zur Verfügung gestellt werden können, ist im jeweiligen Einzelfall entsprechend den Herstellerangaben zu prüfen.
| Bild 4: Löschwasserleitungen nass (mittelbarer Anschluss) Wandhydrant Typ F, ohne Trinkwasser-Entnahmearmaturen. |
Dieser Lösungsansatz ist aber nur dann einzusetzen, wenn eine "nass/trocken"-Anlage oder ein mittelbarer Anschluss nicht möglich ist. Dies begründet sich in der DIN EN 1717, Abs. 3.9: Häuslicher Gebrauch beschränkt sich im industriellen und gewerblichen Bereich (Sonderbauten) auf Nutzung des Trinkwassers wie in Wohngebäuden üblich. Dies schließt z.B. die Nutzung für technische Prozesse, Brandschutz, Zentralheizung und Bewässerungen aus. In der Präambel der DIN EN 1717 wird auf die DIN 1988-6 verwiesen, wenn es um Einbau und Umbau von Brandschutz- und Feuerlöschanlagen geht.
Löschwasserleitungen nass mit Trinkwasser-Entnahmearmaturen
Wenn bei bestehenden Feuerlöschanlagen Löschwasserleitungen mit Bewegungsleitungen bestehen, die Trinkwasser-Entnahmestellen versorgen, ist zu prüfen, ob ein ausreichender Wasseraustausch gewährleistet ist, dieser ist rechnerisch nachzuweisen. Wenn lediglich "Alibiwaschtische" an die Bewegungsleitungen der Löschwasserleitungen angeschlossen sind, kann ein ausreichender Wasseraustausch nicht sichergestellt werden.
| Bild 5: Löschwasserleitungen nass Wandhydranten Typ F, mit Bewegungsleitungen (Sonderfall Löschwasserbedarf größer als Trinkwasserbedarf). |
Bei Löschwasserleitungen nass mit Bewegungsleitungen bringt der Einbau von zusätzlichen Sicherungseinrichtungen Rohrtrennern Typ GB oder Typ BA keine Verbesserung der Trinkwasserqualität an den Entnahmestellen.
Trinkwasserinstallationen mit Wandhydranten nach dieser Norm, die entsprechend der am Tage der Beauftragung gültigen Normen errichtet und in Betrieb genommen wurden, haben nur dann Bestandsschutz, wenn die hygienischen Anforderungen der Trinkwasserverordnung erfüllt werden. Werden diese Anforderungen nicht erfüllt, sind die Wandhydranten vom Trinkwassernetz zu trennen. Werden entsprechend der neuen Trinkwasserverordnung an solchen Entnahmearmaturen in öffentlichen Gebäuden Wasserproben entnommen, muss das Wasser den Anforderungen der Verordnung entsprechen. Wenn dies mit den im Bestand befindlichen Löschwasserleitungen nicht sichergestellt werden kann, wird das zuständige Gesundheitsamt dem Betreiber der Trinkwasser-Installation Auflagen zur Behebung der Beeinträchtigung der Gesundheit der Verbraucher auferlegen.
Aufgrund dieser Verantwortung der Betreiber aus der Trinkwasserverordnung sollten bestehende Feuerlösch- und Brandschutzanlagen von Fachkundigen geprüft werden, ob die Voraussetzungen für einen sicheren Betrieb der Trinkwasser-Installation gewährleistet ist. Wenn nicht, müssen solche Anlagen mit den Vorgaben der DIN 1988-6 saniert werden.
*) Franz-Josef Heinrichs, stv. Geschäftsführer Technik beim ZVSHK, St. Augustin.
[Zurück] [Übersicht] [www.ikz.de]




