IKZ-HAUSTECHNIK, Ausgabe 15/2001, Seite 27 ff.
SANITÄRTECHNIK
| DIN-gerechter Einbau von Bade- und DuschwannenDer vorliegende Fachbeitrag befasst sich mit dem DIN-gerechten Einbau von Bade- und Duschwannen im Wohnbereich. Des Weiteren werden allgemeine Einbausituationen erläutert, welche dem Installateur eine theoretische Hilfestellung bei seiner Arbeit geben sollen. |
Grundplanung
Der DIN-gerechte Einbau von Bade- und Duschwannen muss bereits in der Grundplanung von Sanitärräumen berücksichtigt werden. Hierbei ist zu beachten, dass deren Benutzung durch Kinder, Behinderte und alte Menschen bestimmten Nutzungsanforderungen unterliegen.
Auslegung des Flächenbedarfs
Die Gestaltung von Sanitärräumen steht primär in Abhängigkeit zu den Stellflächen der sanitären Einrichtungen sowie deren für die Nutzung erforderlichen Bewegungsflächen. Hierzu müssen bestimmte Anforderungen an den Flächenbedarf erfüllt werden. Diese sind durch Planungsgrundlagen der Normung und Bestimmungen in den Bauordnungen definiert. Im Wohnungsbau unterliegen Bäder den Planungsgrundlagen der DIN 18022. Die in dieser Norm aufgeführten Maße können jedoch bei Aus- und Umbau sowie Modernisierung nicht immer eingehalten werden. Es gilt somit die aufgeführte Einschränkung, dass die DIN 18022 unter Berücksichtigung der baulichen Gegebenheiten anzuwenden ist. Die Belange von Rollstuhlbenutzern finden generell in der DIN 18025-1 Berücksichtigung, Teil 2 beinhaltet das barrierefreie Wohnen für Menschen mit körperlichen Einschränkungen.
Ergänzend hierzu ist aufzuführen, dass sich die DIN 18024-2 mit den Plangrundlagen für barrierefreies Bauen in öffentlichen Gebäuden und an Arbeitsstätten befasst.
Badewannenplatz
Im Allgemeinen werden Badewannen mit dem Kopf- oder Fußende in einer rechten oder linken Wandecke, vor einer ebenen Wand oder längsseitig in einer Nische aufgestellt. Benötigt der Badende jedoch eine Bedienungshilfe durch Pflege- oder Behandlungspersonal, ist eine dreiseitige oder allseitig zugängliche Aufstellung erforderlich.
Im Wohnbad sollten die Außenmaße der Badewanne nach DIN 18022 mindestens 170 x 75 Zentimeter betragen. Für unterschiedliche Platzverhältnisse stehen jedoch Liegewannen in den Längen von 140 bis 190 Zentimeter zur Auswahl. Sind die Platzverhältnisse besonders gering, kann auf tiefere Kleinraumwannen von 130 Zentimeter und Stufenwannen von 104 bzw. 114 Zentimeter Länge zurückgegriffen werden. Neben den normalen Parallel- und Körperformwannen bietet der Markt auch runde Wannen, Eckwannen und besonders breite Wannen für zwei Personen sowie Wannenkombinationen mit Whirlpool-System in einer Vielzahl von Abmessungen an. Der Wannenabstand zwischen Vorderkante Wanne und anderen sanitären Einrichtungen oder gegenüberliegenden Wänden sollte mindestens 75 Zentimeter auf einer Breite von 90 Zentimeter messen (Einstieg).
Die DIN 18025-1 schreibt vor, dass für Rollstuhlbenutzer eine 150 Zentimeter tiefe Bewegungsfläche vor der Wanne bestehen muss. Weiterhin muss genügend Raum für die Errichtung eines Duschplatzes vorhanden sein. Bei einem Nutzungswechsel, wie beispielsweise durch einen Mieterwechsel an einen nicht Behinderten, sollten beide Einrichtungen kostengünstig umgerüstet werden können. Die Installation der Wannen ist dementsprechend vorzunehmen.
Die Bewegungsfläche für Menschen mit sensorischen und anderen Behinderungen ist in der DIN 18025-2 festgelegt. Sie muss demnach mindestens 120 Zentimeter betragen. Ein Duschplatz in den Abmessungen 120 x 90 Zentimeter muss ebenfalls angedacht werden.
Duschplatz
Der Duschplatz dient dem Badenden als Stand- und Bewegungsfläche bei der Durchführung unterschiedlicher Waschvorgänge unter fließendem Wasser. Weiterhin soll er das niederfallende Wasser fassen und in den Ablauf fließen lassen.
Die Abmessungen des Duschplatzes müssen es erlauben, sich an allen Körperstellen problemlos zu waschen und sich dem Wasserstreukreis zum Einseifen und Regulieren der Wassertemperatur zu entziehen. Duschwannen sind in unterschiedlichen Größen, Tiefen und Formen erhältlich. Ihre Abmessungen sind dabei zwischen 70 x 70 Zentimeter und bis zu 120 x 120 Zentimeter einzuordnen. Die Wannentiefe kann je nach Modell zwischen 2,5 und 28 Zentimeter betragen, wobei die extraflachen Duschwannen mit ihren geringen Tiefen von 2,5 cm und 6,5 cm über einen hohen Einstiegskomfort verfügen und daher im Besonderen bei einer langfristigen Badplanung Berücksichtigung finden sollten.
Der Abstand zwischen der Vorderkante des Duschplatzes und anderen Einrichtungsgegenständen oder Wänden sollte mindestens 75 Zentimeter betragen. Für sensorisch Behinderte muss die Bewegungsfläche des Duschplatzes nach DIN 18025-2 mindestens 120 Zentimeter breit sein.
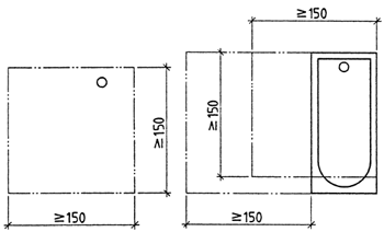
Für Rollstuhlbenutzer gilt nach der DIN 18025-1 die Regelung, dass der Duschplatz befahrbar sein muss. Um eine Wendemöglichkeit zu gewährleisten, muss dem Badenden eine Bewegungsfläche von mindestens 150 x 150 Zentimeter uneingeschränkt zur Verfügung stehen. Der Bodenablauf ist mit einem Abstand von mindestens 30 Zentimeter aus einer Ecke zu installieren. Vor der Duschwanne muss für den Rollstuhl eine Wendemöglichkeit mit einem Durchmesser von mindestens 150 Zentimeter gegeben sein.
| Unterschiedliche Wannenformen und -größen. |
Der Einbau von Badewannen
Badewannen können freistehend oder mit Wandanschluss eingebaut werden. Es wird dabei zwischen Freistehwannen ohne Verkleidung, Wannen mit vorgefertigter und mit angeformter Verkleidung sowie Einbauwannen für den festen Einbau unterschieden.
Freistehwannen
Bei Freistehwannen, die parallel zu Wänden aufgestellt werden, sollte der Wandabstand mindestens drei bis vier Zentimeter betragen. Der Wannenrand kann somit als Griff oder Seifenhalter genutzt werden. Des Weiteren wird die Zugänglichkeit des Wannenrandes beim Reinigen der Wanne erleichtert. Der Wandabstand kann durch das Befestigen der Wannenfüße am Boden oder durch das Anbringen von Gummipuffern an der Wand erreicht werden. Bei dem Einsatz von Gummipuffern (in etwa vier Zentimeter Durchmesser) werden diese in Wulsthöhe des Wannenrandes an der Wand befestigt. Der seitliche Abstand der Puffer zueinander sollte bei einer Wanne von 170 Zentimeter etwa einen Meter betragen.
| Bewegungsflächen nach DIN 18025-1. |
Fest eingebaute Wannen
Im Markt sind Einbauwannen aus Stahl-Email, Starylan oder Acryl erhältlich. In der Regel sollte der Wanneneinbau vor einer gefliesten Wand so verrichtet werden, dass die Oberkante der Wanne auf die Unterkante einer waagerechten Fuge ausgerichtet ist.
Einbau mit Fußgestell
Bei Badewannen aus Stahl-Email und Starylan empfiehlt sich der Einbau unter der Verwendung eines Fußgestells mit höhenverstellbaren Füßen, um das Ausrichten der Wannen zu erleichtern.
Der Einbau von Acryl-Badewannen erfolgt mit einem speziellen Untergestell. Hierbei ist zu beachten, dass Wannen aus Acryl aufgrund ihrer Materialeigenschaften eine höhere Stabilität benötigen als es bei Stahl-Email und Starylan der Fall ist. Ihr Einbau ist dementsprechend vorzunehmen. Zur dauerhaften Fixierung der Wannen können diese gegebenenfalls an Wandhaltern befestigt werden.
Einbau mit Wannenträger
Styroporträger bei Badewannen aus Stahl-Email, Starylan oder Acryl ersparen das Einmauern der Wanne und erreichen beim bestimmungsgemäßen Einbau eine gute Schall- sowie Wärmedämmung. Die Montage des Wannenträgers erfolgt mit einem Kleber auf die Rohdecke des Bodens. Hierzu eignet sich beispielsweise PU-Schaum. Der Wannenträger ist vor dem Trocknen des Klebers mit einer Wasserwaage auszurichten.
| Befestigungsklammer zur Fixierung der Wanne an den Baukörper. |
Der Einbau von Duschwannen
Der Einbau von Duschwannen erfolgt in der Regel durch die Montage auf einem Fußgestell, Einbaurahmen oder unter Verwendung eines Wannenträgers.
Einbau mit Fußgestell
Die Montage von Duschwannen mit einem Fußgestell kann bei Wannen aus Stahl-Email oder Starylan erfolgen. Höhenverstellbare Füße ermöglichen dabei eine exakte horizontale Ausrichtung der Wannenoberkante. Bei Duschwannen aus Acryl sollte aus oben genannten Gründen ein Wannenträger verwendet werden. Um eine gute Schall- und Wärmedämmung zu erreichen, werden Duschwannen mit Anti-Dröhn-Matten auf den Wannenböden und -seiten versehen. Zur dauerhaften Fixierung der Wannen können diese gegebenenfalls an Wandhaltern befestigt werden.
Einbau mit Wannenträger
Wannenträger aus Styropor eignen sich auch hier insbesondere für den Einbau von Duschwannen aus Stahl-Email oder Starylan. Nach dem Verlegen des Abflusses wird der Wannenträger dauerhaft mit dem Rohboden verbunden. Vor dem Trocknen des Klebers sollte der Wannenträger mit einer Wasserwaage ausgerichtet werden. Um eine Beschädigung durch andere Bauarbeiten auszuschließen, erfolgt der eigentliche Einbau der Wanne erst nach Beendigung der Fliesenarbeiten.
Allgemeine Aufbauanleitung für Wannen mit Fußgestell
- Wanne mit Verpackung umdrehen und auf den Boden legen
- Höhenverstellbaren Wannenfuß auf den Boden der Wanne befestigen und Einbauhöhe einstellen
- Zur Schallentkopplung zwischen Wanne und Wand sowie zwischen Wanne und Untermauerung schalldämmende Profile anbringen
- Ablaufarmatur einbauen, Wanne auf Füße stellen, ausrichten und an den Abfluss anschließen
- Falls erforderlich, zusätzlich die Wanne mit Wandklammern befestigen
- Potenzialausgleich der Wanne herstellen
- Dichtigkeitsüberprüfung des Ab- und Überlaufes der Wanne
- Nach dem Einfliesen die Wanne dauerelastisch verfugen
Der Wannenablauf
Für Ablaufgarnituren ohne und mit Geruchsverschluss gelten die Bau- und Prüfgrundsätze der DIN 19545. Das Abflussvermögen einer Normalwanne mit einem Ablaufventil von DN 40 sollte demnach für das Ventil allein 1,2 l/s betragen. Der Abfluss der Garnitur ist mit mindestens 0,8 l/s und höchstens 1,1 l/s anzusetzen. Bestandteile des Ablaufes sind das Ablaufventil mit mindestens vier Zentimeter lichter Weite sowie bei direktem Anschluss ein Geruchsverschluss mit mindestens drei Zentimeter lichter Weite. Es gelten hier die Anschlussmaße gemäß der EN DIN 232 (Badewannen Anschlussmaße) und der EN DIN 251 (Duschwannen Anschlussmaße).
| Hausanschluss mit Haupt- und zusätzlichem Potenzialausgleich. |
Elektrische Schutzmaßnahmen
In Gebäuden bestehen weit verzweigte Netze metallener Systeme, die mittelbar oder unmittelbar miteinander verbunden sind. Fehlerhafte elektrische Leitungen oder Geräte können innerhalb dieser Systeme ein Verschleppen elektrischer Spannung bewirken und somit eine lebensgefährliche Berührungsspannung für den Menschen darstellen. Um dieser Gefahr entgegenzuwirken, legt die DIN 57100/ VDE 0100, Teil 701 die Schutzbereiche um Bade- und Duschwannen fest. Es wird hierbei zwischen vier Schutzbereichen unterschieden. Beim Einbau einer Bade- oder Duschwanne muss im Besonderen der Schutzbereich 0 (das Innere der Wanne) Beachtung finden. Hier wird ein zusätzlicher örtlicher Potenzialausgleich gefordert, der durch eine elektrisch gut leitfähige Verbindung zwischen Wasserleitungen, Wannenkörper und Abflussleitung geschaffen wird. Metallische Wannen haben zur Herstellung des örtlichen Potenzialausgleichs im Allgemeinen spezielle Laschen für den Potenzialausgleich am Wannenkörper, die mit den Rohrleitungen verbunden werden.
| Trennung von Wannenrand und Baukörper durch Schall entkoppelndes Profilband.A) von der gefliesten Wand,B) von der Wannenuntermauerung. |
Schallschutz
In der DIN 4109 sind Anforderungen an den Schallschutz festgelegt, die den Menschen in Aufenthaltsräumen Schutz vor unzumutbaren Geräuschübertragungen geben sollen. Um die vorgegebenen Werte einzuhalten, sind beim Einbau von Bade- und Duschwannen diese an den Anschlussstellen zum Fußboden und zur Wand körperschallgedämmt aufzulagern. Die Einhaltung der nach DIN 4109 geforderten maximalen Schallpegel wird dabei nur durch besondere Maßnahmen zur Schalldämmung erreicht. Hierfür sind spezielle schallgedämmte Einbauhilfen, wie Wandverankerungen und Dämmbänder zwischen Wannenrand und verfliester Wand sowie zwischen raumseitiger Fliesenschürze und Wannenrand erhältlich. Zur Entdröhnung des Wannenbodens ist dieser mit Anti-Dröhnmatten zu versehen.
Allgemeine Aufbauanleitung für Wannen mit Styroporträger
Voraussetzung: Der Wannenträger muss passgenau zu Größe und Form der gewünschten Wanne passen.
- Die Wanne in den Träger legen und auf dem Boden die Ablaufmitte aufzeichnen
- Ablaufunterteil an den Abfluss anschließen und ausrichten
- Wannenträger mit Montageschaum auf den Boden kleben und mit einer Wasserwaage ausrichten
- Wandanschlussseiten der Wanne mit schallentkoppelnden Profilen bekleben
- Wanne in den Träger einsetzen und Ablaufoberteil festschrauben
- Potenzialausgleich der Wanne herstellen
- Dichtigkeitsüberprüfung des Ab- und Überlaufes der Wanne
- Nach dem Einfliesen die Wanne dauerelastisch verfugen
Internetinformationen: |
B i l d e r : Franz Kaldewei GmbH & Co. KG, Ahlen
L i t e r a t u r :
DIN 18022: "Küchen, Bäder und WC's im Wohnungsbau, Planungsgrundlagen", Ausgabe November 1989
DIN 18025: "Barrierefreie Wohnungen - Planungsgrundlagen", Ausgabe Dezember 1992
DIN 18024: "Barrierefreies Bauen", Ausgabe Januar 1998
DIN 4109: "Schallschutz im Hochbau", Ausgabe November 1989, Änderung A 1, Januar 2001
Feurich, H., Sanitärtechnik, Band 1, Hrsg. Krammer Verlag AG, 5. erweiterte Auflage, Düsseldorf, 1999
Feurich, H., Henning, M., Wagner, H., Sanitäranlagen in öffentlichen und gewerblichen Bauten und Einrichtungen, Hrsg. Strobel-Verlag, Arnsberg, 1992
Franz Kaldewei GmbH & Co. KG, Aufbauanleitung für Bade- und Duschwannen
[Zurück] [Übersicht] [www.ikz.de]





