125 Jahre IKZ-HAUSTECHNIK, Ausgabe 12/1997, Seite 32 ff.
SANITÄRTECHNIK
Wasser- und Energieeinsparung in der Sanitärtechnik
Aspekte der Hygiene, Funktion und Nutzung, der Baukosten und der Wirtschaftlichkeit
Dipl.-Ing. Hugo Feurich VDI, Teil 2
Die für ein Gebäude zu erwartenden Betriebskosten werden u.a. durch den Wasserverbrauch sowie den Energieeinsatz für die Wassererwärmung beeinflußt. Die nachfolgenden Beispiele zeigen, daß komfortablere und kostenspieligere Armaturenausstattungen zu erheblichen Einsparungen führen können.
Klosettspülung
Das Spülwasservolumen für eine Klosettspülung beträgt nach den Bestimmungen der DIN 1385 [18] und der DIN 1986 Teil 1 [19] für Flachspül- und Tiefspülklosetts 6 bzw. 9 Liter, für Absaugeklosetts 6, 9 bzw. 14 Liter (Tabelle 4). Es gilt für das Ausspülen von Fäkalien und Toilettenpapier. Für das Ausspülen von Urin wird ein Spülwasservolumen von mindestens 3 Liter als Richtwert angesehen.
| Bild 3: Funktionsdarstellung eines Spülkastens mit Zweimengen-Spültechnik. Die Betätigung erfolgt über eine Taste für ein stufenlos einstellbares Spülwasservolumen von 6 bis 9 Liter und über eine zweite Taste für ein Spülwasservolumen von 3,5 Liter. (Bild: FRIATEC AG) |
Bei einem Spülwasservolumen von 9 Liter je Spülvorgang und 5 Spülungen pro Kopf und Tag ergibt sich für die Klosettspülung ein Wasserverbrauch von 45 Liter pro Kopf und Tag (Tabelle 2). Mit den seit 1980 eingeführten 6 Liter-Flachspül- und Tiefspülklosetts kann der Wasserverbrauch für die Klosettspülung bereits auf 30 Liter pro Kopf und Tag reduziert werden. Voraussetzung ist, daß Spülkasten oder Druckspüler auf einen 6 Liter-Verbrauch eingestellt werden.
Tabelle 4: Spülwasservolumen in Abhängigkeit von der Ausführungsart der Klosettbecken [18]
Ausführungsart Klosettbecken | Spülwasservolumen in l | ||
6 | 9 | 15 | |
Flach- und Tiefspülklosett | x | x | - |
Absaugeklosett | x | x | x |
Durch Verwendung von Spülkästen mit Zweimengen-Spültechnik (Bild 3) und Druckspülern mit Kurzzeitbetätigung kann der Wasserverbrauch weiter eingeschränkt werden. Bei einem Spülwasservolumen von 6 Liter für das Ausspülen von Fäkalien und Toilettenpapier, dem sogenannten "großen Geschäft", und von 3 bis 3,5 Liter für das Ausspülen von Urin und Toilettenpapier, dem sogenannten "kleinen Geschäft", kann der Wasserverbrauch für die Klosettbenutzung auf 21 bzw. 22,5 Liter pro Kopf und Tag herabgesetzt werden. Ausgegangen wird dabei von einer zweimaligen Benutzung für den Stuhlgang und einer dreimaligen Benutzung für das Harnlassen pro Kopf und Tag.
| Bild 4: Wandhängendes Tiefspülklosett aus Edelstahl |
Der Einsatz neu entwickelter Klosettbecken mit wassersparendem Geruchverschluß in der Nennweite 50 oder 60 (Bild 4) ermöglicht in Verbindung mit einer Entwässerungs-Anschlußleitung in der Nennweite 60 das Ausspülen und Fortschwemmen von Fäkalien und Toilettenpapier mit einem Spülwasservolumen von 3 Liter und für das Ausspülen von Urin und Toilettenpapier von 2 Liter. Das bestätigen eigene Untersuchungen, deren Ergebnisse bezüglich der Ausschwemmung von Toilettenpapier und Prüfkörpern nach den Prüfbestimmungen der DIN 1385 aus Entwässerungs-Anschlußleitungen in Tabelle 5 zusammengestellt sind. Der Wasserverbrauch für die Klosettbenutzung kann damit auf 12 Liter pro Kopf und Tag gebracht werden.
Urinalspülung
Absauge-Urinale besitzen mit einem Spülwasservolumen von 2 Liter je Spülung bereits eine ausreichende Spülwirkung. Für die anschließende Abflußleitung ist nach dem hydraulischen Leistungsnachweis die relativ kleine Nennweite 40 ausreichend. Gegenüber der 4- bis 5-Liter-Spülung bei älteren Wandurinalen liegt die Wasserersparnis, wenn auch nur für den männlichen Benutzerkreis, bei 50%.
| Bild 5: Wandurinal |
Für öffentliche und gewerbliche Urinalanlagen wird mit der manuell und mit der berührungslos ausgelösten Einzelspülung der geringste Wasserverbrauch erreicht. Einbaubeispiele für Wandurinale mit berührungslos, optoelektronisch und radarelektronisch gesteuerten Urinalspülarmaturen in der Nennweite 15 zeigt Bild 5. Bei der Gruppenspülung von 2 bis 4 Urinalen liegt der Wasserverbrauch zwei bis dreimal, bei der periodischen Zeituhrsteuerung etwa vier- bis sechsmal über dem Wasserverbrauch der Einzelsteuerung.
Die Investitionskosten sind für Urinale mit Druckspüler oder Spülkasten mit manueller Einzelbetätigung am geringsten, bei Ausstattung mit elektronisch gesteuerten Urinalspülarmaturen für Einzelspülung am größten. Im Vergleich mit den Investitionskosten für eine Gruppenspülung oder eine Zeituhrsteuerung amortisieren sich die höheren Anschaffungskosten der elektronischen Einzelspülung in der Regel jedoch innerhalb von 2 bis 3 Jahren.
Aus Gründen der Hygiene sind berührungslos gesteuerte Urinal-Spüleinrichtungen zu empfehlen, worauf z.B. in der DIN 1986 Teil 1 hingewiesen wird. Bei öffentlichen Einrichtungen ist daher ein Vergleich der Wirtschaftlichkeit unter Berücksichtigung der Investitions- und Wartungskosten mit hand- oder fußbetätigten Spüleinrichtungen unangebracht.
Aktivitäten bei Wasch- und Badevorgängen
Der Vorgang des Waschens und Badens ist ein Prozeß, der aus mehreren Aktivitäten besteht. In der Ablauffolge betrifft er das teilweise oder vollständige Entkleiden, das Öffnen - manuell oder selbsttätig - der Entnahmearmatur, die Handhabung des Waschens oder Badens, das Schließen - manuell oder selbsttätig - der Entnahmearmatur, das Abtrocknen und das Ankleiden.
Das eigentliche Waschen besteht aus dem Naßmachen, Einseifen, Bürsten, Abreiben und Abspülen. Beim Baden folgen dem Naßmachen die als Subaktivitäten bezeichneten Vorgänge des Erwärmens und Entspannens, danach wie beim Waschen das Einseifen, Bürsten, Abreiben und Abspülen. Unterschiede ergeben sich aus der Anwendungsart des Wassers beim Brause- und beim Wannenbad, durch das Funktionssystem der Armaturenausstattung, aus der Nutzungsart und durch individuelle Gepflogenheiten.
| Bild 6: Zeitdauer für das Einregulieren der gewünschten Entnahmetemperatur bei Zweigriff- (3), Eingriff- (2) und Thermostatbatterien (1). |
Bei allen Wasch- und Badevorgängen spielt die Zeitdauer für das Einregulieren der gewünschten Entnahmetemperatur eine wichtige Rolle, da mit ihr eine ungenutzte Wasserentnahme verbunden ist. Der nach Versuchen ermittelte Zeitaufwand für das Einregulieren einer Wassertemperatur von 41° C am Brausekopfaustritt bei einem Duschbad ist in Bild 6 graphisch dargestellt. Dieser ist für Zweigriffbatterien mit 18 s, für Eingriffbatterien mit 14 s und für Thermostatbatterien mit 2 s anzunehmen.
Tabelle 5: Versuchsergebnisse über die Schwemmlänge bei Kosett-Anschlußleitungen DN 60 und einem Spülwasservolumen von 3 l, bei einem wandhängenden Tiefspülklosett aus Edelstahl mit wassersparendem Geruchverschluß DN 60 [20]
Gefälle | H/d | VT | vT | Schwemmweglänge | |
mm/m |
| l/s | m/s | Papier m | Prüfkörper m |
5 | 0,5387 | 0,5442 | 0,3580 | 3,60 | 3,83 |
10 | 0,5000 | 0,6871 | 0,4959 | 5,80* | 5,38 |
20 | 0,4700 | 0,8863 | 0,6964 | 5,80* | 5,80 |
*Länge der Klosett-Anschlußleitung auf dem Versuchsstand
Waschvorgänge
Bei Reihenwaschanlagen hat sich innerhalb von Jahrzehnten ein Durchfluß je Entnahmearmatur von etwa 3,5 l/min als notwendig und ausreichend erwiesen [21]. Dieser Durchfluß hat beim Waschvorgang unter fließendem Wasser den Vorteil, daß der auf die Wand auftreffende Wasserstrahl sich in Tropfen auflöst, die spritzfrei nach unten in die Waschreihe fallen.
Bild 7: Selbstschluß-Wandbatterie DN 15 mit Filterbrause, Wassermengenregulierung und Schmutzfangsieb; Durchfluß 3,5 bis 4 l/min bei einem Fließdruck
von 1 bis 6 bar, Fließdauer ca. 20 s. (Bild: Rotter)
|
|
Ein Durchfluß von 4,5 l/min und mehr läßt dagegen einen horizontal spritzenden Strahlenkranz entstehen, der bis in den Nachbarstand reicht. Ein Durchfluß von 3,5 bis 4 l/min bei einem Fließdruck von 1 bis 6 bar wird z.B. durch eine automatische Wassermengenregulierung bei der in Bild 7 dargestellten Selbstschlußbatterie für Reihenwaschanlagen erreicht.
Bild 8: Optoelektronische Waschplatzarmatur für Wandeinbau mit Eingriffbatterie, Wandeinbaukasten, absperrbaren Wasser-Mengenregulierungen, Schmutzfangsieben, Magnetventil, Rückflußverhinderern, Edelstahlabdeckplatte mit Sensor, Steuerelektronik und Auslauf mit Luftsprudler; Durchfluß 7,8 l/min bei 3 bar Fließdruck. (Bild: AQUA Butzke-Werke AG)
|
|
Optoelektronische und radarelektronische Waschplatzarmaturen für die berührungslos gesteuerte Wasserabgabe stehen als Stand-, Aufwand- und Wandeinbauarmaturen zur Auswahl. Der Durchfluß kann modellabhängig auf 6 bis 12 l/min begrenzt und die Nachlaufdauer beispielsweise auf 1 bis 8 Sekunden einstellbar sein. Bild 8 zeigt eine solche Waschplatzarmatur in Kompaktbauweise für Wandeinbau, die mit Eingriffbatterie, Magnetventil, Edelstahlabdeckplatte mit Sensor, Steuerelektronik und Auslauf mit Luftsprudler ausgestattet ist.
| Bild 9: Gesamtwasserverbrauch und Anzahl der Benutzungen während der Versuchs- |
| Bild 10: Durchschnittlicher Wasserverbrauch je Benutzung für die Waschplatzarmaturen |
Nach vorliegenden Untersuchungen von Waschtischarmaturen in verschiedenen Ausführungen auf dem Flughafen Frankfurt wurden für eine Versuchsdauer von 5 Wochen die in Bild 9 und 10 graphisch dargestellten Wasserverbrauchswerte insgesamt und pro Benutzung ermittelt. So betrug die Wassereinsparung der Elektronikarmatur WT 1 im Vergleich mit der Eingriffbatterie WT 4 rund 71%.
Bild 11: Amortisations-Kostenvergleich zwischen der Waschplatzarmatur WT 1 und den Waschplatzarmaturen WT 2, WT 3, WT 4 (Geberit).
|
|
Der in Bild 11 graphisch dargestellte Amortisationsvergleich zeigt, daß sich die höheren Anschaffungskosten der Elektronikarmatur WT 1 im Vergleich mit der Selbstschlußarmatur WT 2 innerhalb von 652 Tagen, mit der Eingriffbatterie WT 3 innerhalb von 510 Tagen und mit der Eingriffbatterie WT 4 innerhalb von 200 Tagen amortisieren.
| Bild 12: Wasserverbrauch beim Waschen mit konventioneller Wascharmatur, Selbstschlußarmatur und Elektronikarmatur. (AQUA Butzke-Werke AG) |
Das Bild 12 zeigt einen allgemeinen Vergleich des Wasserverbrauchs beim Waschen zwischen einer konventionellen Zweigriffbatterie mit einem Durchfluß von 12 l/min, einer Selbstschlußarmatur mit einem Durchfluß von 8 l/min bei einer eingestellten Wasserlaufzeit von 10 Sekunden und einer Elektronikarmatur mit einem Durchfluß von 8 l/min.
| Bild 13: Wasserverbrauch beim Waschen in einem Industriebetrieb bei Verwendung von konventionellen Wascharmaturen, von Selbstschlußarmaturen und Elektronikarmaturen. (AQUA Butzke-Werke AG) |
Einen speziellen Vergleich des Wasserverbrauchs beim Waschen in einem Industriebetrieb zeigt das Bild 13. Abgesehen von einem nicht berücksichtigten ungenutzten Wasserverbrauch durch offengelassene Zweigriffbatterien ist festzustellen, daß die Verbrauchswerte wesentlich vom Durchfluß, bei den Selbstschluß- und Elektronikarmaturen außerdem von der eingestellten Wasserlaufzeit abhängig sind.
Tabelle 7: Wasserverbrauch von Duscharmaturen in einem Industriebetrieb; Verbrauchskosten, Investitionskosten und Amortisationszeit
| Konventionelle Armatur | Selbstschlußarmatur | Elektronikarmatur |
Wasserverbrauch | 184,8 m³/Jahr 84 l/Duschvorgang x 2200 Nutzungen pro Jahr 1) | 118,8 m³/Jahr 54 l/Duschvorgang x 2200 Nutzungen pro Jahr | 79,2 m³/Jahr 36 l/Duschvorgang x 2200 Nutzungen pro Jahr |
Verbrauchskosten
Wasserkosten
Energiekosten | 1180,87 DM/Jahr
184,8 m³/Jahr x 4,90 DM/m³ 2) = 905,52 DM/Jahr
184,8 m³/Jahr x 1,49 DM/m³ 3) = 275,35 DM/Jahr | 759,13 DM/Jahr
118,8 m³/Jahr x 4,90 DM/m³ = 582,12 DM/Jahr
118,8 m³/Jahr x 1,49 DM/m³ = 177,01 DM/Jahr | 506,09 DM/Jahr
79,2 m³/Jahr x 4,90 DM/m³ = 388,08 DM/Jahr
79,2 m³/Jahr x 1,49 DM/M³ = 118,1 DM/Jahr |
Kosteneinsparung | - | 421,74 DM/jahr | 674,78 DM/Jahr |
Investitionskosten | 400,- DM | 650,- DM | 1900,- DM |
Amortisationszeit | - | Ca. 7 Monate | Ca 27 Monate |
1)
Nutzungszeit = 15 Tage10 Nutzungen /Tag
220 Nutzungstage/Jahr = 2200 Nutzungen/Jahr
2) Kosten für Wasser und Abwasser = 4,90 DM/m³
3) Energiekosten für Warmwasser (ölbeheizt) = 1,49 DM/m³
(Aqua Butzke-Werke AG)
Brausebad
Das Brause- oder Duschbad wird grundsätzlich unter fließendem Wasser genommen. Bei einer relativ kurzen Anwendungsdauer, die bei etwa 5 bis 7 Minuten liegt, ergibt sich, abhängig von der Armaturenausstattung, ein verhältnismäßig großer Spielraum beim Wasser- und Energieverbrauch. Dieser liegt in der Regel erheblich unter den Werten eines Wannenbades, wie den nachstehenden Berechnungen zu entnehmen ist.
Tabelle 8: Wasserverbrauch von Duscharmaturen in einer Saunaeinrichtung; Verbrauchskosten, Investitionskosten und Amortisationszeit
| Konventionelle Armatur | Selbstschlußarmatur | Elektronikarmatur |
Wasserverbrauch | 504 m³/Jahr 84 l/Duschvorgang x 6000 Nutzungen pro Jahr 1) | 324 m³/jahr 54 l/Duschvorgang x 6000 Nutzungen pro Jahr | 216 m³/Jahr 36 l/Duschvorgang x 6000 Nutzungen pro Jahr |
Verbrauchskosten
Wasserkosten
Energiekosten | 3220,56 DM/jahr
504 m³/Jahr x 4,90 DM/m³ 2) = 2469,60 DM/Jahr
504 m³/Jahr x 1,49 DM/m³ 3) = 750,96 DM/Jahr | 2070,36 DM/Jahr
324 m³/Jahr x 4,90 DM/m³ = 1587,60 DM/Jahr
324 m³/Jahr x 1,49 DM/m³ = 482,76 DM/Jahr | 1380,24 DM/Jahr
216 m³/Jahr x 4,90 DM/m³ = 1058,40 DM/Jahr
216 m³/Jahr x 1,49 DM/m³ = 321,84 DM/Jahr |
Kosteneinsparung | - | 1150,20 DM/Jahr | 1840,32 DM/Jahr |
Investitionskosten | 400,- DM | 650,- DM | 1900,- DM |
Amortisationszeit | - | Ca. 3 Monate | Ca. 10 Monate |
1)
Öffnungszeit = 10h2 Benutzungen/Stunde = 20 Benutzungen/Tag
300 Nutzungstage/Jahr = 6000 Benutzungen/Jahr
2) Kosten für Wasser und Abwasser = 4,90 DM/m³
3) Energiekosten für Warmwasser (ölbeheizt) = 1,49 DM/m³
(Aqua Butzke-Werke AG)
Der zulässige Temperaturbereich des Brausebades wird von der Empfindlichkeit des Badenden bestimmt. Derselbe liegt nach der in Versuchen festgestellten Empfindlichkeitsskala zwischen 10 und 40°C. Die Grenzen sind dadurch gegeben, daß Wassertemperaturen bis 7° C ein mit Schmerz verbundenes Kältegefühl und ab 40° C ein mit Schmerz verbundenes Wärmegefühl verursachen. Bei Temperaturen über 50 bis 60°C besteht Verbrühungsgefahr.
In Tabelle 6 ist der Benutzungs- und Verbrauchsablauf für ein Brausereinigungsbad mit Wandbrause bei verschiedenen Mischbatterien dargestellt. Er umfaßt die Zeit vom Öffnen der Entnahmearmatur bis zum Schließen derselben nach dem letzten Duschvorgang einer Anwendung. Das Brausebad wird zum Naßmachen und zum Erwärmen mit einer Temperatur im Bereich der Indifferenztemperatur des menschlichen Körpers von 34 bis 36° C begonnen und auf eine als angenehm empfundene Temperatur von 38 bis 40° C gesteigert.
Tabelle 9: Wasserverbrauch von Duscharmaturen in einem Schwimmbad; Verbrauchskosten, Investitionskosten und Amortisationszeit
| Konventionelle Armatur | Selbstschlußarmatur | Elektronikarmatur |
Wasserverbrauch | 1260 m³/Jahr 84 l/Duschvorgang x 15000 Nutzungen pro Jahr 1) | 810 m³/Jahr 54 l/Duschvorgang x 15000 Nutzungen pro Jahr | 540 m³/Jahr 36 l/Duschvorgang x 15000 Nutzugen pro Jahr |
Verbrauchskosten
Wasserkosten
Energiekosten | 8051,40 DM/Jahr
1260 m³/Jahr x 4,90 DM/m³ 2) = 6174,- DM/Jahr
1260 m³/Jahr x 1,49 DM/m³ 3) = 1877,40 DM/Jahr | 5175,90 DM/Jahr
810 m³/Jahr x 4,90 DM/m³ = 3969,- DM/Jahr
810 m³/Jahr x 1,49 DM/m³ = 1206,90 DM/Jahr | 3450,60 DM/Jahr
540 m³/Jahr x 4,90 DM/m³ = 2646,- DM/Jahr
540 m³/Jahr x 1,49 DM/m³ = 804,60 DM/Jahr |
Kosteneinsparung | - | 2875,50 DM/Jahr | 4600,80 DM/Jahr |
Investitionskosten | 400,- DM | 650,- DM | 1900,- DM |
Amortisationszeit | - | Ca. 1 Monat | Ca. 4 Monate |
1)
300000 Benutzer/Jahr = 600000 Nutzungen/Jahr40 installierte Armaturen = 15000 Nutzungen/Armatur
2) Kosten für Wasser und Abwasser = 4,90 DM/m³
3) Energiekosten für Warmwasser (ölbeheizt) = 1,49 DM/m³
(Aqua Butzke-Werke AG)
Beim Einregulieren der Wassertemperatur muß bei einem stoßweisen Betrieb der Brauseanlage zunächst das in der Warmwasser-Stichleitung stagnierende und dadurch abgekühlte Wasser ausgestoßen werden. Es geht beim Brausebad ungenutzt verloren. Das Einregulieren der gewünschten Wassertemperatur, das erst danach vorgenommen werden kann, erfordert einen vom Funktionssystem der Entnahmearmatur abhängigen Zeitaufwand entsprechend der Darstellung in Bild 6, der ebenfalls zu einer ungenutzten Wasserentnahme führt.
Der Vorgang des Brausebades selbst ist nach der Nutzungsart wie folgt einzuteilen:
- Das Warmduschen dient der Erwärmung des Körpers und dem Naßmachen. Es ist eine reine Wasseranwendung.
- Das Waschen der Körperteile ist nach der Handlungsfolge in das Kopfwaschen, bestehend aus Vor- und Hauptwäsche, das Oberkörperwaschen, das Unterkörperwaschen, das Bein- und Fußwaschen, einzuteilen. Jeder Waschvorgang setzt sich dabei aus dem Naßmachen, dem Einseifen und Abspülen zusammen.
- Das abschließende Warm-/Kaltduschen dient der Erfrischung.
Die Anwendung des Brausebades unter fließendem Wasser ergibt einen proportional mit der Benutzungsdauer verlaufenden Wasserverbrauch. Der Wasserverbrauch wird dabei von der Bedienungsfunktion, der Handhabung einer Brausearmatur und von der Armaturenausstattung mehr oder weniger stark beeinflußt.
Beim Duschen des ganzen Körpers sollen mit Ausnahme des Kopfes möglichst alle Körperteile erfaßt werden. Das wird einmal durch einen genügend großen Streukreis des Brausestrahls und durch eine entsprechende Anordnung des Brausekopfes oder mehrerer Brauseköpfe mit Abstand zum Badenden erreicht.
Bild 14: Strahlführung und Wasserverteilung a) bei einer senkrechten Kopfbrause, b) bei einer geneigten Körperbrause. Als Bezugsmaß der Montagehöhe ist der Abstand des Brausekopfbadens bis Schulterhöhe maßgebend.
|
Der Streukreisdurchmesser in Schulterhöhe, bei geneigtem Brausekopf außerdem die Wurfweite des Brausestrahls, sind die herstellerseitig durch Versuche zu ermittelnden Bezugsgrößen. Bild 14 veranschaulicht mit der Darstellung der Fallkurven bei Körper- und Kopfbrausen den vom Brausestrahl erfaßten Bereich. Der Streukreisdurchmesser soll in Schulterhöhe etwa 40 bis 50 cm groß sein. Lösungsvorschläge sind in den Bildern 15 bis 17 dargestellt.
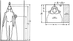
| Bild 15: Funktionsdarstellung einer Körperbrause mit den Bezugsmaßen: H Körpergröße, h4 Brausekopfboden über der Standfläche, A Wandabstand Mitte Brausekopfboden, D Streukreisdurchmesser bzw. Wurfweite. |
| Bild 16: Abmessungen einer Nischenbrause bei rückseitiger Anordnung einer Körperbrause (Neigungswinkel 20°) und auf der Seitenwand eingangsseitig angeordneter Bedienungsarmatur. |
| Bild 17: Abmessungen einer Nischenbrause mit auf der Seitenwand angeordneter Körperbrause (Neigungswinkel 20°) und danebenliegender Bedienungsarmatur. |
Unter dem Gesichtspunkt der Wasser- und Energieeinsparung ist beim Brausebad die ungenutzte Wasserentnahme eine Problemstellung, die einzuschränken ist. Eine ungenutzte Wasserentnahme entsteht:
- durch das Ausstoßen des in der nichtzirkulierenden Warmwasserleitung abgekühlten Wassers;
- während des Öffnens, Einregulierens und Schließens der Entnahmearmatur;
- während des Einseifens bei geöffnet bleibender Entnahmearmatur.
Die zeitbezogene Darstellung der Wasserentnahme in Bild 18 macht dies an dem Beispiel eines Brausebades mit durchgehend geöffneter Zweigriffbatterie und Handbrause deutlich. Die schraffiert gekennzeichneten Zeiten für das Einseifen ergeben mit 120 s einen ungenutzten Wasserverbrauch von 18 l, gegenüber der in Tabelle 6 ermittelten Gesamtwasserentnahme von 55,5 bis 56,25 l. Der Gesamtwärmeverbrauch beträgt 6082 bis 6238 kJ. Eingriff- und Thermostatbatterien ergeben infolge einer geringeren Zeitdauer für das Einregulieren eine Wasserersparnis von 1,1 bzw. 4,5% und eine Energieersparnis von 0,6 bzw. 2,3%.
| Bild 18: Durchflußschaubild für ein Brausebad mit Zweigriffbatterie 3N 15 und Handbrause bei während der ganzen Benutzungsdauer geöffneter Entnahmearmatur. Kaltwassertemperatur |
Eine wesentliche Einsparung an Wasser und Energie ist allerdings nur bei Verwendung von Selbstschluß- und Elektronikarmaturen zu erreichen, mit denen eine ungenutzte Wasserentnahme mehr oder weniger ausgeschaltet werden kann. Das wird z.B. entsprechend der Darstellung in Bild 19 an dem Beispiel einer optoelektronisch gesteuerten Thermostatbatterie für berührungslos auslösende Wasserabgabe deutlich, deren Verbrauchswerte abhängig von einem angenommenen Benutzungsablauf der Tabelle 6 zu entnehmen sind. Das Öffnen und Schließen der Armatur wurde dabei für jeden Waschvorgang mit jeweils 2 x 2 s = 4 s berücksichtigt. Das ergibt eine etwas längere Benutzungsdauer von 376 bis 381 s gegenüber einer solchen von 354 bis 359 s (s. Tab. 6). Die Gesamtwasserentnahme liegt bei 35,85 bis 36,6 l, der Gesamt-Wärmeverbrauch bei 3985 bis 4141 kJ. Im Vergleich mit dem Beispiel einer durchgehend geöffneten Zweigriffbatterie ergibt sich eine Wasser- und Energieersparnis von etwa 34%.
| Bild 19: Durchflußschaubild für ein Brausebad mit elektronisch gesteuerter Thermostatbatterie DN 15 und Handbrause bei während des Einseifens unterbrochener Wasserentnahme. Kaltwassertemperatur J K = 10° C, Warmwassertemperatur J W = 60° C, Durchfluß V = 0,15 l/s, Wasserentnahme V = 35,55 l/Brausebad, Wärmeverbrauch W = 3858 kJ/Brausebad, Benutzungsdauer = 379 s/Brausebad. |
Bei Brauseanlagen in öffentlichen und gewerblichen Badebetrieben wird durch Selbstschlußarmaturen in jedem Fall der Wasser- und Energieverbrauch eingeschränkt, da ein Offenlassen der Armaturen ausgeschlossen wird.
Der Wasserverbrauch beim Duschen während einer Anwendungsdauer von 7 Minuten unter Verwendung einer konventionellen Duscharmatur, einer Selbstschlußarmatur mit einer eingestellten Wasserlaufzeit von 45 Sekunden und einer Elektronikarmatur ist in Bild 20 dargestellt. Derselbe verändert sich dabei von 84 l auf 54 l (64%) und auf 36 l (43%) pro Duschvorgang.
| Bild 20: Wasserverbrauch beim Duschen bei Verwendung von konventionellen Duscharmaturen, Selbstschlußarmaturen und Elektronikarmaturen. (AQUA Butzke-Werke AG) |
Bezüglich der Nutzung, des Wasserverbrauchs, der Wasser- und Energiekosten, der Investitionskosten und der Amortisationszeit in einem Industriebetrieb, einer öffentlichen Saunaeinrichtung und in einem Schwimmbad zeigen die Tabellen 7 bis 9 Daten und Fakten zur Wirtschaftlichkeit. Die Amortisationszeiten liegen für Selbstschlußarmaturen bei etwa 1 bis 7 Monaten, für Elektronikarmaturen bei etwa 4 bis 27 Monaten.
Die Beispiele zeigen, daß eine komfortablere und kostenspieligere Armaturenausstattung bei Wasch- und Badeanlagen, neben besseren Hygienebedingungen und einem höheren Komfort, auch zu einer erheblichen Einsparung an Betriebskosten betragen können und im Endergebnis günstige Amortisationszeiten zur Folge haben.
[Zurück] [Übersicht] [www.ikz.de]

















