IKZ-HAUSTECHNIK, Ausgabe 10/1997, Seite 99 ff.
HEIZUNGSTECHNIK
Hydraulische Schaltungen bei Brennwertkesseln
Dr.-Ing. Dietrich Schlapmann
Um bei der Brennwerttechnik die latente Wärme des im Abgas enthaltenen Wasserdampfes nutzbar zu machen, muß das Abgas an genügend kalten Wärmeaustauscherflächen kondensieren. Die Höhe der Kondensation und damit die Höhe der Energieausnutzung hängt neben der Größe der Heizflächen, der Brennstoffart, dem CO2-Gehalt im Abgas vor allem auch von der Rücklauftemperatur des Heizwassers und damit von der Temperatur der Wärmeaustauscherflächen ab. Je niedriger die Rücklauftemperatur ist, um so höher ist die Energieausbeute des Brennstoffes bzw. um so höher ist der Nutzungsgrad eines Brennwertkessels.
Maßgeblich für eine möglichst niedrige Rücklauftemperatur ist die Regelung und mithin die Gestaltung des hydraulischen Netzes. Hier zeigt sich der prinzipielle Unterschied zwischen herkömmlichen Heizanlagen und Brennwertheizungsanlagen. Während Standardheizkessel in herkömmlichen Heizanlagen zumindest im großen Leistungsbereich eine Rücklauftemperaturanhebung benötigen - diese wird durch das hydraulische Netz mit der dazugehörigen Regelung bewirkt - sollte bei Brennwertkesselanlagen die Hydraulik nach Möglichkeit so gestaltet sein, daß eine Beimischung von wärmerem Vorlaufwasser in den kälteren Rücklauf vermieden wird.
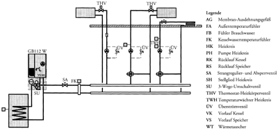
| Bild 1: Wandhängender Brennwertkessel GB 112 W mit integrierter direkter Trinkwassererwärmung. |
Brennwertkessel als Gas-Wandheizkessel
Brennwertkessel im unteren Leistungsbereich werden in der Regel bis zu einer Größenordnung von 40 bis 50 kW als wandhängende Gas-Brennwertkessel ausgeführt. Sie besitzen im allgemeinen bereits ein- oder mehrstufige Heizungsumwälzpumpen, die unter der Verkleidung werkseitig integriert sind. Aufgrund der zugehörigen Heizungsumwälzpumpe besteht jedoch die Gefahr, daß es bei unsachgemäßem Abgleich oder unsachgemäßer hydraulischer Schaltung entweder zu Geräuschproblemen in den Thermostatventilen oder zu einer Rücklauftemperaturanhebung kommen kann, wenn von der Verbraucherseite zu wenig Wärme bzw. Heizwasser gefordert wird. Bild 1 zeigt als Beispiel eine Brennwertkesselanlage mit integrierter, direkter Trinkwassererwärmung. In dieser Schaltung ist zur Vermeidung von lästigen Strömungsgeräuschen bei überwiegend geschlossenen Thermostatventilen ein Überströmventil eingebaut. Dieses ist jedoch nur erforderlich, wenn, z.B. während der Übergangszeit, wenig Wärme benötigt wird. Derartige Überströmventile haben aber - vorausgesetzt sie sind richtig eingestellt - nur eine temporäre (zeitweise) Beimischwirkung, so daß eine Einbuße bei der Brennwertnutzung vernachlässigbar ist [1]. In Bild 2 ist die Schaltung eines Brennwertkessels in Verbindung mit einer Fußbodenheizung aufgezeigt. Statt eines Überströmventils ist hier ein Strangregulier- und absperrventil eingezeichnet (SA). Hiermit kann der Volumenstrom anhand entsprechender Tabellen und einer Anzeige am Gerät exakt auf die Erfordernisse in der Anlage eingestellt werden. Weiterhin ist ein Überhitzungsschutz für die Fußbodenheizung vorgesehen. Steigt die Vorlauftemperatur über den zulässigen Höchstwert, z.B. 50°C, so öffnet das Dreiwege-Umstellventil durch einen Regler ohne Hilfsenergie, und das Heizwasser fließt über die Bypassstrecke zum Brennwertkessel zurück. Auch hier ist keine Einbuße an Brennwertnutzung zu erwarten, da kurz danach die Feuerung des Brennwertkessels unterbrochen wird - es wird keine Wärme mehr gefordert. Vielfach empfiehlt es sich auch, die Fußbodenheizung über einen Wärmeaustauscher anzuschließen. Dies vor allem, wenn Fußbodenheizungsrohre verwendet werden, die nicht diffusionsdicht sind. Auch hier sollte der Primärkreis abgeglichen werden bzw. der Wasserstrom so gering sein, daß über dem Wärmetauscher das Heizungswasser stark abkühlt und möglichst kaltes Wasser zum Brennwertkessel zurückströmt. Soll der Brennwertkessel neben einem Heizkreis auch einen Trinkwassererwärmer mit Heizwasser versorgen, so bietet es sich an, ein Dreiwege-Umschaltventil einzusetzen (Bild 3). Entsprechend zeitlicher Vorgaben, zum Beispiel morgens oder abends, oder bei Absinken der vorgegebenen Trinkwassertemperatur schaltet das Dreiwegeventil, um und der Brennwertkessel heizt im Vorrang kurzfristig den Speicher auf. In all diesen Kleinanlagen mit Brennwertnutzung sollte jedoch auf Vierwegemischer oder Dreiwege-Thermostatventile an den Heizkörpern verzichtet werden, da derartige Armaturen eine Anhebung der Rücklauftemperatur bewirken.
| Bild 2: Anschluß einer Fußbodenheizung an einen wandhängenden Gas-Brennwertkessel mit Überhitzungsschutz für die Fußbodenheizung (Beispiel). |
Bild 3: Wandhängender Brennwertkessel GB 112W mit nebenstehendem Speicher-Wassererwärmer. Durch das 3-Wege-Umschaltventil (SU) wird auf Heizbetrieb oder auf Erwärmung des Speichers geschaltet. |
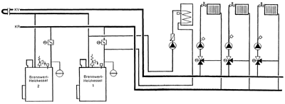
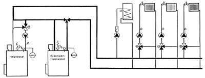
Im Gegensatz zu den meisten Großkesselanlagen mit Brennwertnutzung sind für Wandgeräte vielfach hydraulische Weichen zur Systemtrennung vom Kessel zu den Verbraucherkreisen notwendig. Dies ist zum Beispiel der Fall, wenn ein Brennwertkessel mit integrierter Pumpe mehrere Heizkreise - jeweils an Verteiler und Sammler angeschlossen - versorgt (Bild 4) oder wenn eine Mehrkesselanlage mit Brennwertkesseln in Kaskadenform (Bild 5) vorliegt. Bei der hydraulischen Weiche, die oft nicht aus Erfordernissen der Heizkesseltechnik, sondern wegen einer besseren Regelung bzw. Fühlerplazierung eingesetzt wird, kann eine brennwertmindernde Rücklaufbeimischung durch richtige Dimensionierung der Heizkesselströme, eventuell auch der Regler und Pumpen, vermieden werden. So sind die Kesselkreise (Brennwertkessel/hydraulischen Weiche) mit weniger Wasser (größerer Temperaturspreizung) zu betreiben als die Verbraucherkreise. Falls die Gerätepumpen im Kesselkreis zu viel Wasser fördern, ist ebenfalls vor der Weiche ein Strangregulier- oder drosselventil einzusetzen, mit dem exakt der Volumenstrom für den Auslegungsfall eingestellt werden kann [3]. In der Mehrzahl der Fälle ist das Heizwasser des Kesselkreises auf das 0,8- bis 0,6-fache der Verbraucherkreise zu reduzieren.
Bild 4: Wandhängender Gas-Brennwertkessel mit mehreren angeschlossenen Heizkreisen. Systemtrennung durch eine hydraulische Weiche.
Brennwertkessel für den mittleren und großen Leistungsbereich
Brennwertkessel über etwa 50 kW Nennleistung werden in der Regel als Standgeräte für den Einbau in separaten Aufstellräumen ausgeführt. Wie auch konventionelle Heizkessel haben sie im allgemeinen keine eingebauten Umwälzpumpen - die Heizwasserumwälzung erfolgt in diesen Brennwertkesseln hauptsächlich durch die externen Verbraucherkreispumpen. Entsprechend den Wandheizkesseln ist auch bei den größeren Brennwertkesseln bezüglich der Gestaltung des hydraulischen Netzes darauf zu achten, daß dem Brennwertkessel das Rücklaufwasser mit möglichst niedrigen Temperaturen (-50°C) wieder zugeführt wird. So sollten Einrichtungen zur Rücklauftemperaturanhebung wie Dreiwegestellorgane mit Bypass vom Vor- zum Rücklauf, Kesselkreispumpen oder auch hydraulische Weichen entfallen. Dies stellt auch einen nicht zu vernachlässigenden Vorteil der Brennwerttechnik dar, denn im allgemeinen wird das hydraulische Netz bezüglich Investitionskosten weitaus günstiger als bei herkömmlichen Großkesselanlagen. Sind aufgrund der Anlagenstruktur trotzdem hydraulische Weichen notwendig, so kann auch hier eine Rücklaufbeimischung weitestgehend vermieden werden, wenn entsprechend der Pumpenauslegung der Volumenstrom im Kesselkreis kleiner als der im Verbraucherkreis ist.
| Bild 5: Zweikesselanlage mit wandhängenden Gas-Brennwertkesseln und Systemtrennung (hydraulische Weiche). |
In den Bildern 6 bis 8 sind beispielhaft Schemata der hydraulischen Anlagen mit größeren Brennwertkesseln dargestellt. Grundsätzlich werden Einrichtungen zur Rücklauftemperaturanhebung vermieden. Es wird nur der in den Verbraucherkreisen benötigte Wasserstrom mit der jeweiligen Rücklauftemperatur dem Brennwertkessel zugeführt. Die Kesselwasserförderung erfolgt nur durch die Verbraucherpumpen. Bei Mehrkesselanlagen (Bild 6) sind die Heizkessel möglichst zu gleichen Teilen der erforderlichen Heizleistung auszulegen. Die Heizkessel sind im Zweirohranschluß anzuschließen, wobei in dem in Bild 6 gezeigten Beispiel das Tichelmannsche Anschlußsystem gewählt wurde.
Bild 6: Mehrkesselanlage mit Brennwertkesseln und Tichelmannscher Anschlußart.

Bild 7: Kesselfolgeschaltung eines Brennwertkessels mit einem konventionellen Öl-/Gas-Spezialheizkessel.

Bild 8: Schaltung eines Öl-/Gas-Spezialheizkessels mit Abgaswärmeaustauscher zur Brennwertnutzung.

Da in der Regel der wasserseitige Widerstand der Kessel groß gegenüber dem der Rohrleitung ist und die Kessel meist nahe zusammenstehen, ist es auch möglich, die Kessel direkt hintereinander anzuschließen. Hier können gegebenenfalls auch bei der Rohrführung Kosten gespart werden.
Bei einer Kesselfolgeschaltung eines Brennwertkessels mit einem konventionellen Öl-/Gas-Spezialheizkessel (Bild 7) sind die Kessel möglichst in Reihe anzuschließen, wobei der Brennwertkessel als erster durchflossen wird. Der Brennwertkessel ist als Führungskessel einzusetzen. Bei einer Auslastung des Brennwertkessels von 100 % wird der konventionelle Kessel freigegeben. Da unter Umständen auch der konventionelle Heizkessel alleine betrieben werden muß, sollte eine hydraulische Umgehung des Brennwertkessels möglich sein. Dies wird durch einen Bypass zwischen Vor- und Rücklauf mit Strangabsperrventilen erreicht.
Eine Besonderheit ist die hydraulische Schaltung eines Öl-/Gas-Spezialheizkessels in Verbindung mit einem Abgaswärmetauscher zur Brennwertnutzung (Bild 8). Hier wird der Rücklauf eines Niedertemperaturheizkessels über den Abgaswärmetauscher geleitet und erwärmt. Das durch den Wärmeaustauscher über den Rücklauf hinaus erwärmte Wasser wird dem gesamten Kesselrücklauf wieder zugeführt. Angewandt wird die Schaltung vielfach bei Anlagen mit Heizkreisen mit unterschiedlichen Auslegungstemperaturen (NT-Heizkreis und Heizkreise mit höheren Temperaturen).
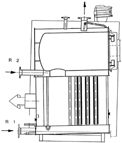
| Bild 9: Prinzipschema eines stehenden Brennwertkessels (SB 605) mit zwei Rücklaufanschlüssen. |
Bei größeren Anlagen mit Brennwertkesseln kann der Brennwertnutzen zusätzlich erhöht werden, wenn der Brennwertkessel mit zwei Rücklaufanschlüssen ausgerüstet ist (Bild 9):
- Die Heizkreise mit der niedrigsten Rücklauftemperatur müssen in die Zone im Brennwertkessel einströmen, wo die maximale Kondensation stattfindet, z.B. in den Kondensationswärmeaustauscher (R 1 in Bild 9).
- Alle Heizkreise mit höheren Rücklauftemperaturen müssen dagegen im Bereich des Brennwertkessels zurückströmen, wo die Kondensationsmöglichkeit geringer ist, z.B. nahe dem Feuerraum (R 2 in Bild 9).
Durch eine sinnvolle Zusammenfassung der Heizkreise mit höheren oder niedrigeren Rücklauftemperaturen und getrennter Einleitung in den Brennwertkessel, können Einsparungen gegenüber einer gemeinsamen Rücklaufleitung von 3 bis 4% erreicht werden [5].
Trinkwassererwärmung mit Brennwertkesseln
Auch bei der Trinkwassererwärmung können größere Brennwertkessel vorteilhaft eingesetzt werden. Die Kombination eines konventionellen Speicher-Wassererwärmers mit einer Brennwert-Heizkesselanlage ist dann sinnvoll, wenn der Heizwärmebedarf der Trinkwassererwärmung im Verhältnis zum Gesamtwärmebedarf gering ist. Auch sollte dabei der Speicher möglichst groß ausgelegt werden, zum Beispiel mit dem Fassungsvermögen des gesamten Tagesbedarfs. Die täglichen Aufheizzeiten sind ferner zusammenzufassen, so daß der Brennwertbetrieb im wesentlichen nur einmal am Tag für die Trinkwassererwärmung unterbrochen wird.
Energetisch noch günstiger ist die Kombination mit einem Schichtenspeicher bzw. mit einem Ladesystem. Wird ein Ladespeicher mit großem Wärmeaustauscher und einer guten Temperaturschichtung verwendet, bleibt die Rücklauftemperatur, bei entsprechender Auslegung des Heizwasserstromes, während der Aufheizung des Speichers die ganze Zeit unterhalb der Taupunkttemperatur. Kaltes Wasser strömt vom Boden des Speichers zum Wärmeaustauscher, wodurch niedrige Rücklauftemperaturen entstehen und dadurch eine optimale Brennwertnutzung erreicht wird. Sinnvoll ist dieses System zur Trinkwassererwärmung überall da, wo der Anteil des Heizwärmebedarfs zur Trinkwassererwärmung am Gesamtwärmebedarf bei über 30% liegt.
Zusammenfassung
Durch die Gestaltung des hydraulischen Netzes bei Brennwertkesselanlagen sollte immer erreicht werden, daß dem Brennwertkessel möglichst kaltes Wasser unter 50°C zugeführt wird. Insofern sind Anlagenteile mit Bypass vom Vor- zum Rücklauf mit Kesselkreispumpe, wie sie bei herkömmlichen Kesselanlagen vielfach gefordert wurden, nicht mehr einzusetzen. Auch Überströmventile oder hydraulische Weichen können eine reduzierte Brennwertnutzung zur Folge haben. Sollte entsprechend der Anlagengestaltung doch einmal eine hydraulische Weiche erforderlich sein, so kann durch Reduzierung des Heizmittelstromes auf der Heizkesselseite einer verringerten Brennwertnutzung entgegengewirkt werden. Optimiert kann bei Großanlagen die Brennwerttechnik noch zusätzlich durch sinnvolles Zusammenfassen der Rücklaufströme entsprechend ihrer Temperatur und getrenntes Einleiten in den Brennwertkessel.
B i l d e r : Buderus Heiztechnik GmbH, Wetzlar und Lollar
L i t e r a t u r :
[1] Böhm, G.: Einbindung des Brennwertkessels. sbz 6/95.
[2] Buderus-Planungsunterlage: Gas-Brennwertkessel GB 112 W/WT (1995).
[3] Verdirk, M.: Regelung und hydraulische Einbindung von Wandheizkesseln. Interner Bericht der Buderus Heiztechnik GmbH, unveröffentlicht.
[4] Schlapmann, D.: Hydraulik. sbz, 21 u. 22/95.
[5] Diebel, W.: Planung von Brennwertkesselanlagen. IKZ-HAUSTECHNIK, 21/95.
[6] Buderus-Planungsunterlage: Gas-Brennwertkessel SB 305/U (1995).
[Zurück] [Übersicht] [www.ikz.de]




